
Objektiv Tamron 25HB
Základní vlastnosti
Parametry objektivu
| Ohnisková vzdálenost |
12 mm |
| Světelnost |
F1.8-F16 |
| Ostření |
manuální |
| Irisová clona |
manuální |
| Zorné pole pro čip 2/3'' |
40°54'×30°54' |
| Zorné pole pro čip 1/2'' |
30°0'×22°24' |
| Zorné pole pro čip 1/3'' |
22°24'×16°36' |
| Zaostření |
0,26m až nekonečno |
| Typ objektivu |
C - mount |
| Hmotnost |
46 g |

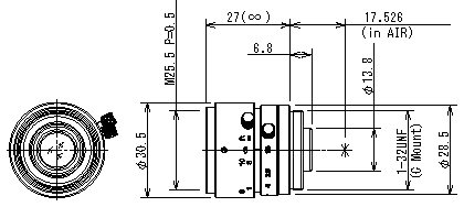
Objektiv Tamron 25HB - schematický nákres
|